cupola motors
| Image | Title | Description | Documents |
|---|---|---|---|
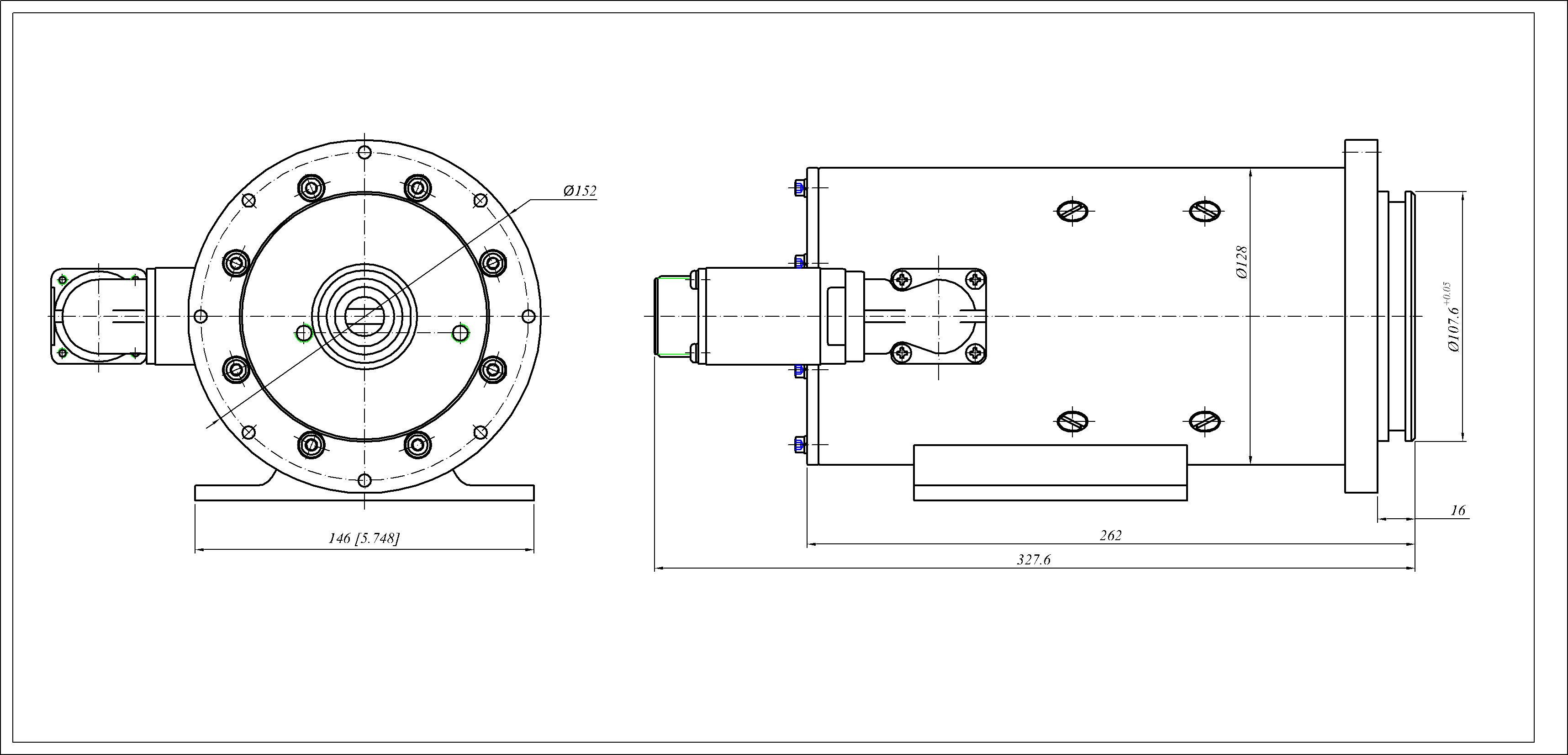
| Cupola Drive Motor |
NSN : 3010-27-008-3354 This is a permanent magnet motor with steel housing and a gearbox with reduction ratio of 1/12,The rotor shaft,wormgear,and the pinion are supported by high quality roller bearings.The motor is used on M52 Howitzers for adjusting the elevation of the gun and traversing of the cupola. |
|
|
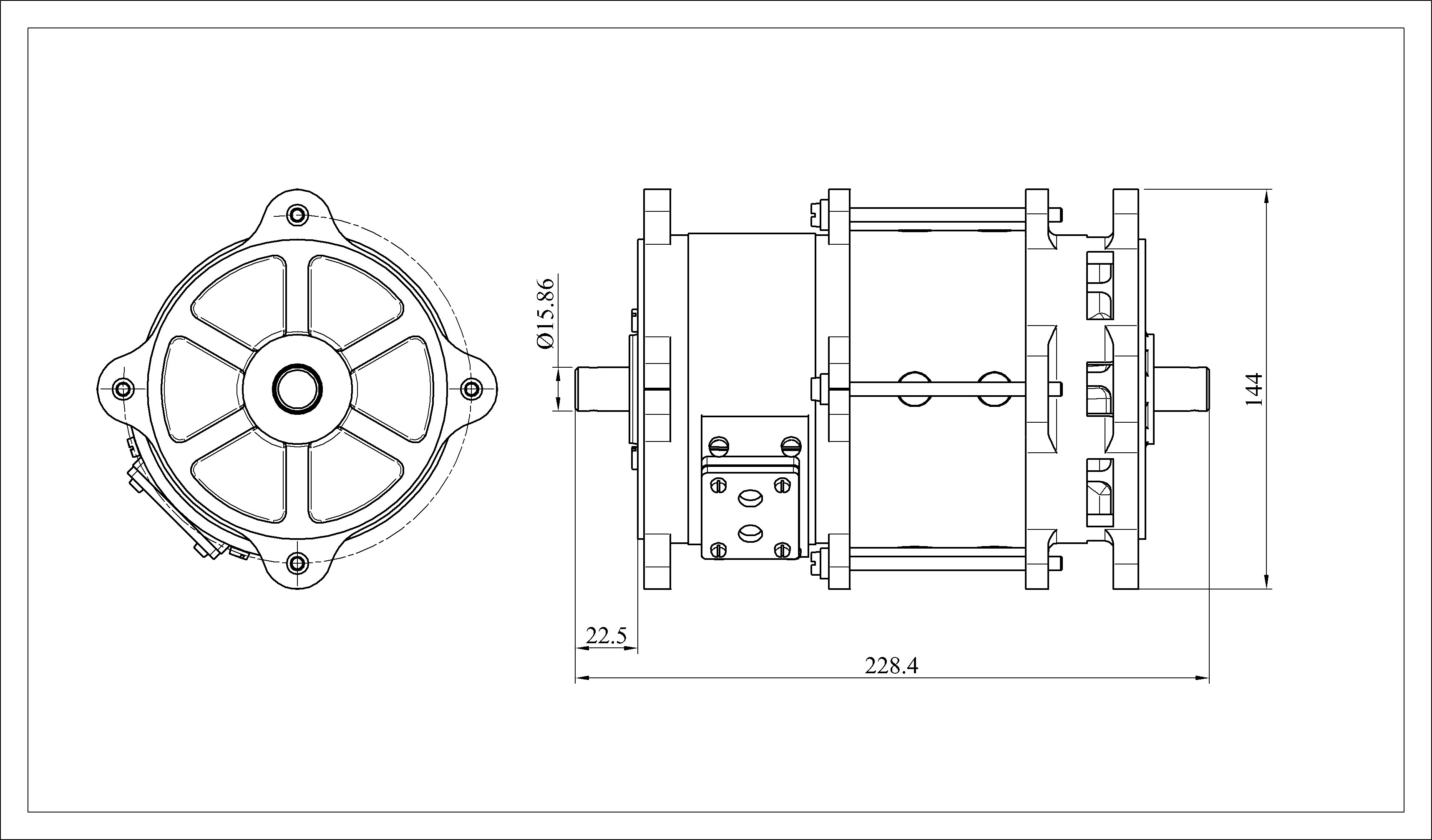
| M55 Turret Drive Motor |
NSN : 1005-00-629-4355 This motor is wound field coil type compound and has shaft extending at both sides. It is used on four barrel 12.7 mm machine gun for elevation and traverse motion of turret. |
|
|
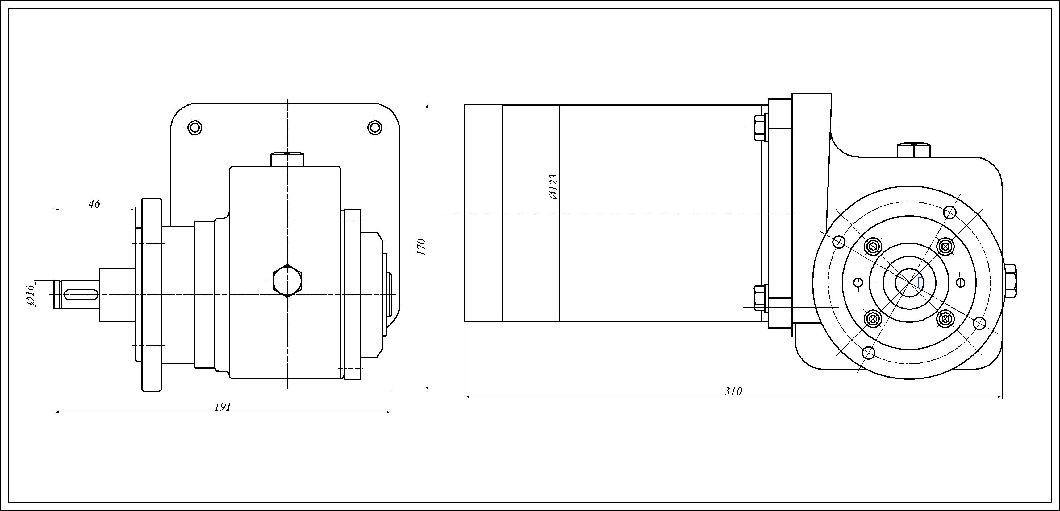
| Cupola Hydraulic Drive Motor |
NSN : 6105-01-030-3907 The motor housing is made from steel and yokes are made from aluminium alloy. All metal parts are protected by plating.Housing protection class is IP 54.Motor drives a hydraulic pump and provides the rotation of cupola.The motor is used on Armoured Vehicle DAF
|
|
|
| Cupola Traverse DC Motor |
Compound wound DC Motor used on M113 Armoured personnel Vehicles. DC motor provides the traverse motion of the cupola on armoured vehicles. |
|



